

车载大用户无线接入平台,,,,,,,支持最多40个用户500Kbps码流同时在线,,,,,,,支持60个用户小数据量接入同时在线;;;;;;;全车无死角无线笼罩计划。。。。。
大巴娱乐系统
支持802.11abgn
支持20/40MHz信道带宽
支持A-MPDU/AMSDU RX
SGI,,,,,,,Tx/Rx STBC,,,,,,,LDPC
WDS,,,,,,,Repeater,,,,,,,QWRAP
16 VAPs,,,,,,,WMM,,,,,,,WDS,,,,,,,DFS
支持WAPI协议
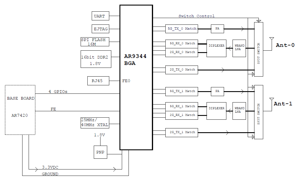
AR9344

